![]()
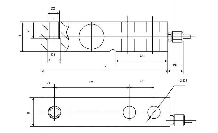
Sơ đồ kích thước sản phẩm

| công suất | L | L1 | L2 | L3 | L4 | H/B | H1 | D | D2 | D3 |
| 0.5T~3T | 130 | 12.7 | 76.2 | 25.4 | 57 | 31.8 | 15.9 | Φ18 | M16*1.75 | Φ18 |
| 3T ~ 5T | 171.5 | 19 | 95.3 | 38.1 | 72.5 | 38.1 | 26 | Φ20 | M20*1.5 | Φ20 |
| 7.5T ~ 10T | 222.5 | 25.3 | 124 | 50.8 | 10.2 | 50.8 | 25.4 | Φ27 | M24*2 | Φ27 |
Danh sách tham số sản phẩm
| công suất | T | 0.5~10T |
| Sản lượng định giá | mv/v | 2.0/3.0±0.2 |
| Không tuyến tính | % F.S | 0.03 |
| Hysteresis | % F.S | 0.03 |
| Khả năng lặp lại | % F.S | 0.03 |
| Đồ hèn. | % F.S/3min | 0.03 |
| Hiệu ứng nhiệt độ ở mức 0 | % F.S/10oC | 0.03 |
| Temp.effect trên span | % F.S/10oC | 0.03 |
| Số dư bằng không | mv/v | ± 0.03 |
| Kháng input | Ω | 380±20 |
| Kháng năng đầu ra | Ω | 352±5 |
| Kháng cách nhiệt | MΩ | ≥ 5000(100VDC) |
| Điện áp kích thích khuyến cáo | VDC | 5~12 |
| Điện áp kích thích cho phép | VDC | 5 ~ 15 |
| Phạm vi nhiệt độ bù. | oC | - 10oC~ +40oC |
| Nhiệt độ hoạt động | oC | - 20oC~+60oC |
| Lượng quá tải an toàn | % F.S | 120 |
| Lượng quá tải tối đa | % F.S | 150 |
| Kết nối | Đỏ: + Đen: | |
| tín hiệu: Xanh: + Trắng:- | ||
Thông tin công ty
![]()
Ruijia là một doanh nghiệp dịch vụ kỹ thuật chuyên nghiên cứu công nghệ đo lực, R & D sản phẩm, sản xuất, bán hàng và dịch vụ.các tế bào tải độ chính xác cao, cảm biến loại S, cảm biến cantilever, cảm biến lực đa chiều, cảm biến căng thẳng, máy phát R & D và sản xuất các dụng cụ điều khiển và cung cấp các giải pháp điều khiển kỹ thuật hệ thống.Công ty có các xưởng hiện đại và rộng rãi, thiết bị sản xuất và thử nghiệm chất lượng cao, đội ngũ R & D chuyên nghiệp và hệ thống quản lý hoàn hảo để cung cấp các giải pháp hợp lý và thực tế cho khách hàng của chúng tôi.Với nhiều năm hiểu biết và hiểu biết trong lĩnh vực tự động hóa, công ty luôn tuân thủ khái niệm hoạt động doanh nghiệp "người dùng đầu tiên", xây dựng một đội ngũ chuyên nghiệp trong lĩnh vực tự động hóa,và cung cấp cho khách hàng các sản phẩm chất lượng ổn định và bán hàng trước và sau bán hàngdịch vụ kỹ thuật.Chúng tôi luôn tuân thủ nguyên tắc đổi mới độc lập, chỉ có sản phẩm tốt và quản lý khoa học, và luôn tuân thủ để cung cấp các sản phẩm hoàn hảo và giải pháp hệ thống,được tôn trọng trong lĩnh vực của chúng tôi.;Luôn thay đổi và cung cấp cho khách hàng các dịch vụ có giá trị gia tăng tuyệt vời.